开发AC-AC自动电压调节器的一种更有效的方法
AVR的发展已经转向使用8位微控制器构建的数字控制系统,但可编程混合信号ASIC在降低成本和尺寸方面具有优势,这对于在一些地区非常流行的小型便携式AVR来说尤其重要。 自动电压调节器(AVR)用于通过补偿输入电压的任何波动来调节所提供的电压...
AVR的发展已经转向使用8位微控制器构建的数字控制系统,但可编程混合信号ASIC在降低成本和尺寸方面具有优势,这对于在一些地区非常流行的小型便携式AVR来说尤其重要。
自动电压调节器(AVR)用于通过补偿输入电压的任何波动来调节所提供的电压电平。AVR也通常被称为电压稳定器,并且在许多工业和住宅应用中具有应用。例如,AVR用于船舶发电机组、应急电源和石油钻机,以在电力需求波动期间稳定电压水平。
对于电力公司来说,配电网中的电压调节是决定输送给最终用户的电能质量的关键责任。为此,公用事业公司必须确保进行适当的短期和长期规划,维护电力设备,并在配电线上部署调节器。然而,这可能是一项具有挑战性的任务,尤其是在世界一些地区。在包括巴基斯坦、印度和孟加拉国在内的许多南亚国家,由于窃电和发电不足的问题,配电系统很脆弱,这可能会导致一段时间的甩负荷和其他中断。因此,最终用户可能面临电力线电压波动的问题。因此,为了确保空调、冰箱和电视等昂贵设备的安全性和适当功能,小型便携式AVR的使用非常流行。AVR是一种易于使用的设备,通常在预定义的电压电平范围内工作(例如150 V–240 V或90 V–280 V)。
从功能上讲,AVR通常使用抽头自耦变压器来将AC输出保持在可接受的范围内。通过切换适当的继电器来调节输出电压,采用反馈机制来控制抽头的位置。这通常由两个单元组成:一个传感单元和一个调节单元。传感单元的工作是确定稳定器的输入和输出电压电平,而调节单元将输出电压保持在可接受的预定限度内。
传统上,运算放大器IC与模拟比较器一起用于基于继电器的AVR设计中的控制。最近,在数字控制的商用AVR中,8位微控制器(MCU)的使用显著增加。然而,使用低成本的GreenPAK也可以实现类似的功能和特性™ Dialog Semiconductor的可编程混合信号ASIC(专用集成电路)。这种替换在降低成本和空间要求方面是有利的,并且不需要对MCU进行明确编程。
在本文中,我们将解释开发人员如何使用可编程ASIC,例如GreenPAK SLG46537V集成电路开发AVR。将对整个系统设计和GreenPAK设计进行全面描述。为了验证该AVR的可行性和可操作性,我们还介绍了从原型中获得的实验结果。
系统设计
<img data-lazy-fallback="1" decoding="async" src="https://uploads.9icnet.com/images/aritcle/20230419/06ds_f01.png" alt="">
图1:方框图。(来源:BarqEE)
拟议AVR设计的功能框图如图1所示。该系统基本上基于反馈机制。对AVR输出端的交流电压进行调节,以将其降低至SLG46537V IC的功能直流极限。根据感测到的电压,IC驱动适当的继电器,以在自耦变压器上选择适当的抽头绕组。
AVR的规格取决于特定的应用。在本文中,我们的AVR具有以下规格:
请注意,这些规范是任意的。给定的规格可以根据实际应用在GreenPAK IC的配置中轻松调整。
功能设计
<img data-lazy-fallback="1" decoding="async" src="https://uploads.9icnet.com/images/aritcle/20230419/06ds_f02.png" alt="">
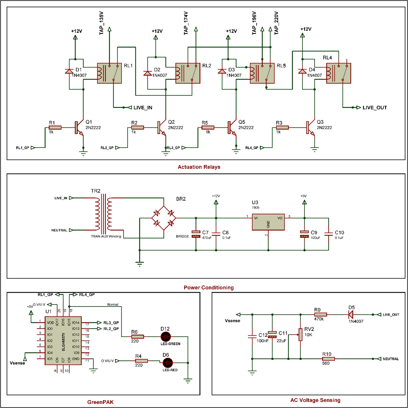
图2:建议的AVR设计。(来源:BarqEE)
图2显示了使用SLG46537V IC的AVR的拟议功能设计。
电源调节
电源调节块为GreenPAK IC供电。它将带电的交流电作为输入,并将其降压至12伏,然后使用合适的电压调节器IC将其进一步转换为5伏直流电。
交流电压传感
对于电压感应,输出交流电压(退出活动(_O))使用二极管和电阻分压器网络降压并整流以获得低电压DC电平。随后,使用输出滤波器(电解电容器)来最小化纹波并获得恒定的平滑直流电压。还采用了旁路电容器来滤除瞬态。因此,滤波后的直流电压(Vsense公司)获得。为了确保直流电压电平与IC兼容,使用了(大约)0.01的降压系数(即200 VACÛ2 VDC)。
绿色PAK
使用Vsense公司并且基于GreenPAK逻辑(第2节),IC驱动所需的继电器(通过BJT)进行致动。IC的数字输出也用于切换LED指示灯,以告知用户AVR的正常和过/欠压情况。已提供显示IO连接的IC示意图以供参考。
启动
三个机电继电器(RL1、RL2和RL3)用于切换输入交流电压(生活(_I))自耦变压器的135 V、174 V、196 V和220 V抽头之间的连接。第四个机电继电器(RL4)用于在欠压或过电压条件下断开AVR输出,从而防止对AVR输出处的连接负载造成任何损坏。
GreenPAK逻辑
在中创建的完整设计文件GreenPAK Designer软件(免费提供)可以找到在这里.
<img data-lazy-fallback="1" decoding="async" src="https://uploads.9icnet.com/images/aritcle/20230419/06ds_f03.png" alt="">
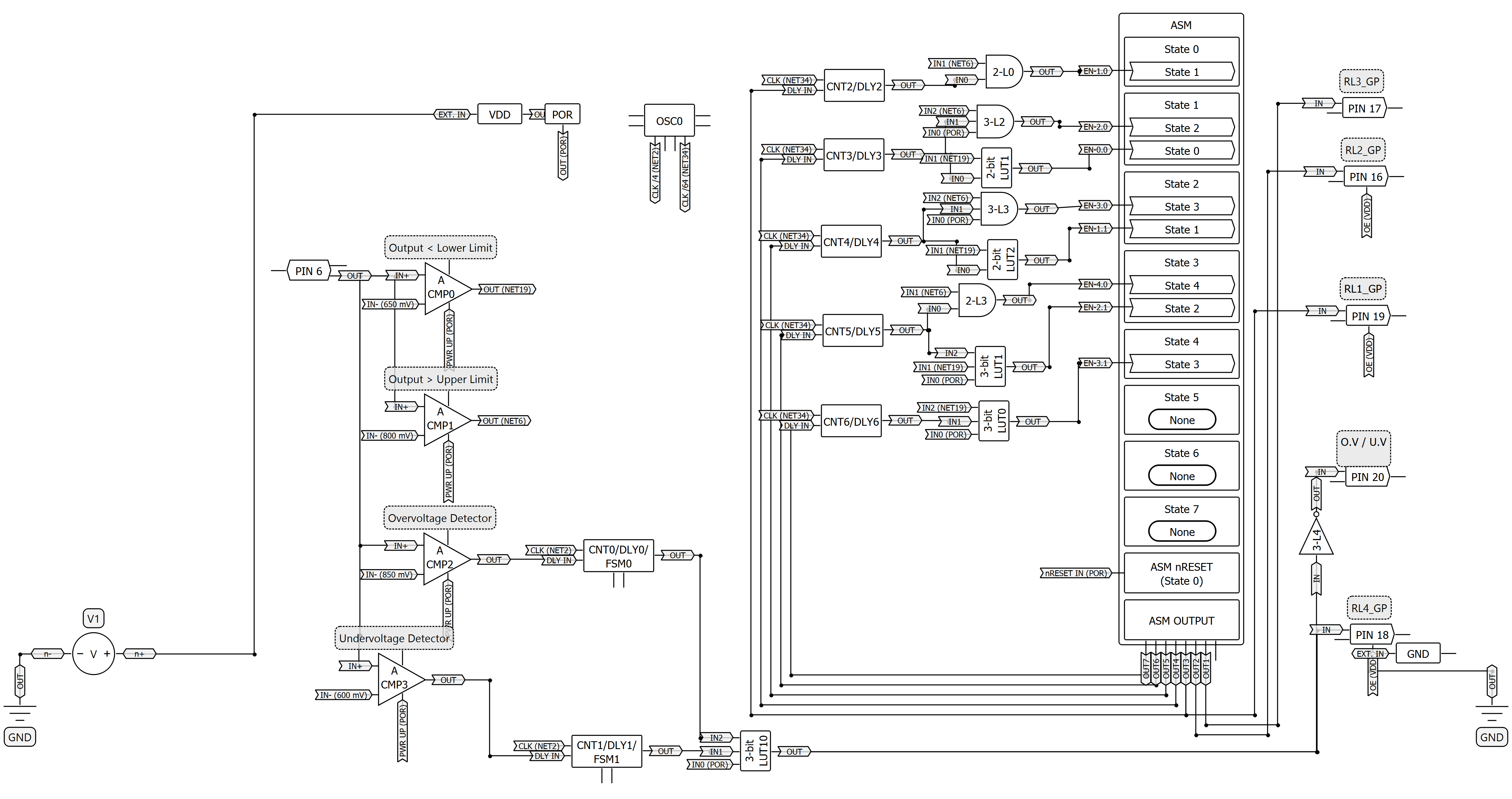
图3:GreenPAK设计示意图。(来源:BarqEE)
图3显示了GreenPAK设计的示意图。Vsense公司被馈送到使用引脚6的不同比较器。模拟比较器ACMP0和ACMP1用于AVR正常工作范围内的调节,而ACMP2和ACMP3用于过电压和欠电压检测。由于比较器的最大内部参考可以设置为不大于1.2V,因此使用0.33的增益来确保输出电压可以在不同范围内进行比较和正确分类。比较器的参考值设置为符合第1.2节中概述的规范。采用异步状态机(ASM)块来建立用于电压调节的有限状态机。
<img data-lazy-fallback="1" decoding="async" src="https://uploads.9icnet.com/images/aritcle/20230419/06ds_f04.png" alt="">
图4:有限状态机。(来源:BarqEE)
图4描述了所使用的五种状态。在每个状态下,继电器1、2和3分别使用ASM输出OUT3、OUT2和OUT1来致动。这使得能够选择相关的自耦变压器抽头,从而选择自耦变压器匝数比。从状态0移动到4导致自耦变压器匝数比逐步降低。表1显示了每个状态与匝数比的对应关系。
表1:AT各状态对应的转弯率(来源:BarqEE)
状态
0
1.
2.
3.
4.
AT匝数比
220/135 ≈ 1.63
196/135 ≈ 1.45
220/174 ≈ 1.26
196/174 ≈ 1.13
220/220 = 1
如果Live_out大于上限(≈240 VAC,由ACMP1参考设置)或小于下限(≈200 VAC,由APMP0参考设置),则使用状态转换实现电压调节。如果任何状态都不能产生所需的调节输出电压电平(200 V<Live_out<240 V),则会发生状态变化(自耦变压器匝数比)。特别地,如果Live_out大于上限,则发生向更高状态的转换。向较高状态的转换(自耦变压器匝数比的降低)持续进行,直到达到所需的电压水平。类似地,对于小于下限的Live_out,会发生到较低状态的转换。
为了确保机电继电器正常工作,通过使用ASM块的反馈中的延迟来控制突然的状态转换。为此,ASM块OUT3、OUT4、OUT5、OUT6和OUT7的输出分别被馈送到延迟块DLY2、DLY3、DLY4、DLY5和DLY6。图5描述了ASM的RAM块的配置,其中显示了每个二进制输出OUT0–OUT7的状态。
<img data-lazy-fallback="1" decoding="async" src="https://uploads.9icnet.com/images/aritcle/20230419/06ds_f05.png" alt="">
图5:RAM块。(来源:BarqEE)
在延迟中设置的预定义时间段tp(≈0.5 s)内保留状态。只有当Live_out保持在所需范围之外至少tp时,才会发生状态转换。延迟的输出与ACMP0和ACMP1的输出一起反馈到不同的LUT(和and块),如图4所示。这确保了状态转换只在tp过去且Live_out超出所需范围时发生。特定的状态转换取决于ACMP0和ACMP1的输出。例如,如果为tp保留状态1,则不可能转换到状态0和状态2。如果已经达到所需的电压电平,则维持状态1。否则,根据Live_out是大于上限还是小于下限,会发生到状态0和状态2的转换。
所提出的GreenPAK设计的另一个重要特征是在过电压和欠电压条件下进行保护。比较器ACMP2和ACMP3分别用于过电压和欠电压条件。ACMP2的输出和ACMP3的反相输出被传递到延迟块DLY0和DLY1,以确保没有针对任何瞬态检测到过电压和欠电压条件。随后,DLY0和DLY1的输出被馈送到LUT块,该LUT块决定是正常、过电压还是欠电压状态。在正常情况下,RLY4保持通电状态,AVR调节电压。否则,无法进行调节,RLY4跳闸。还为用户提供了正常、过压和欠压条件的指示。
实验结果
实验硬件
<img data-lazy-fallback="1" decoding="async" src="https://uploads.9icnet.com/images/aritcle/20230419/06ds_f06.jpg" alt="">
图6:实验设置。(来源:BarqEE)
图6显示了原型的实验设置。Variac用于控制提供给AVR的输入交流电压。AVR包含一个自耦变压器和一个包含控制电路的PCB。GreenPAK开发板连接到PCB以控制机电继电器。示波器用于记录输入和输出电压。
<img data-lazy-fallback="1" decoding="async" src="https://uploads.9icnet.com/images/aritcle/20230419/06ds_f07.jpg" alt="">
图7:PCB电路。(来源:BarqEE)
图7显示了安装机电继电器、BJT和其他辅助部件的PCB电路。
AVR性能数据
AVR的性能数据总结如下:
示波器结果
下图显示了实验的示波器日志。黄色和蓝色标记分别表示输入电压和输出电压。
<img data-lazy-fallback="1" decoding="async" src="https://uploads.9icnet.com/images/aritcle/20230419/06ds_f08.png" alt="">
图8:定量实验总结。(来源:BarqEE)
图8描述了AVR正常功能的实验结果的定量总结。输入电压在电压范围(从低到高)内扫描,并观察到相应的输出电压。IC成功地驱动继电器以改变自耦变压器抽头,从而将匝数比从1.63改变为1以进行电压调节。
<img data-lazy-fallback="1" decoding="async" src="https://uploads.9icnet.com/images/aritcle/20230419/06ds_f09.png" alt="">
图9:正常功能。(来源:BarqEE)
图9显示了AVR的正常功能,其中成功确定并选择了1.63的抽头匝数比。
<img data-lazy-fallback="1" decoding="async" src="https://uploads.9icnet.com/images/aritcle/20230419/06ds_f010.png" alt="">
图10:接近过电压。(来源:BarqEE)
<img data-lazy-fallback="1" decoding="async" src="https://uploads.9icnet.com/images/aritcle/20230419/06ds_f011.png" alt="">
图11:过电压条件。(来源:BarqEE)
图10描述了过电压条件接近时的输入和输出电压波形。当抽头匝数比为1时,两者都具有相似的波形。
图11显示了过电压条件下的情况。可以看出,当AVR成功跳闸RL4进行保护时,输出电压已经崩溃。
<img data-lazy-fallback="1" decoding="async" src="https://uploads.9icnet.com/images/aritcle/20230419/06ds_f012.png" alt="">
图12:接近欠电压。(来源:BarqEE)
<img data-lazy-fallback="1" decoding="async" src="https://uploads.9icnet.com/images/aritcle/20230419/06ds_f013.png" alt="">
图13:欠电压条件。(来源:BarqEE)
图12描述了当欠压条件接近时的输入和输出电压波形。在这种情况下,AVR选择最大匝数比(1.63)的抽头。
图13显示了欠压条件下的情况。可以观察到,输出电压随着RL4的保护跳闸而下降。
注意,当AVR进行调节时,输入和输出电压没有频率变化或相移。
结论
在本文中,我们描述了可编程ASIC的使用,如GreenPAK SLG46537V IC作为AVR的控制器,这在住宅和工业应用中很流行。ASIC可以取代目前在这些应用中使用的分立组件和MCU。对SLG46537V在拟议AVR中的作用进行了说明,并对GreenPAK的设计进行了全面解释。此外,还介绍了AVR原型的实验细节,以验证所提出的设计。
我们得出的结论是,该电路提供了足够的功能作为控制器,特别是在住宅AVR中。因此,AVR的控制单元可以使用便宜且减少PCB占地面积的IC来设计。可以使用提供更多状态ASM的其他ASIC来设计更复杂的控制器。
<img data-lazy-fallback="1" decoding="async" alt="" style="width: 150px; float: left; margin: 0px 4px 0px 0px;" src="https://uploads.9icnet.com/images/aritcle/20230419/Aamir_Hussain_Chughtai_BarqEE.jpg">
阿米尔·侯赛因·楚泰目前是拉合尔LUMS电气工程博士候选人。他的工作领域涉及信号处理、机器学习和物联网。他是拉合尔一家IT初创公司的联合创始人钢筋当量。可以通过联系Aamirchughtaiah@barqee.com.
<img data-lazy-fallback="1" decoding="async" alt="" style="width: 150px; float: left; margin: 0px 4px 0px 0px;" src="https://uploads.9icnet.com/images/aritcle/20230419/Muhammad_Saqib_BarqEE.jpg">
穆罕默德·萨奇布获得拉合尔NUCES电气工程硕士学位。他的主要工作领域包括电力电子、嵌入式系统和仪器仪表。他是拉合尔一家IT初创公司的联合创始人钢筋当量M.Saqib可以通过saqib.awan@barqee.com.
