锂离子电池管理和保护模块(BMS)拆卸-示意图、零件清单和工作
在这篇文章中,我们将学习4s 40A电池管理系统(BMS)的功能和工作原理,我们将了解…
在本文中,我们将了解4s 40安 电池管理系统(BMS),我们将查看模块的所有组件和电路。我已经对这个模块进行了完整的逆向工程,以了解它是如何工作的,这样我就可以展示BMS的工作原理。我们还有另一篇文章和视频,我们在其中测试了BMS的安全参数。下图显示了电池组,该电池组还有一个电压表、负载(灯泡)和一个用于充电器的母直流插座,你可以阅读更多关于它的内容在这里.

这款BMS有三种版本,标准版、增强版和平衡版。

我们将关注平衡版本。平衡版本有4个能够进行负载平衡的电阻器,这一功能在其他版本中不可用。标准版和增强版几乎相似,只差一个无源元件,这些变体不能主动平衡电池,而平衡版具有用于平衡电池的电路。
4S 40A BMS电路图的保护特性
BMS对于延长电池的使用寿命以及保护电池组免受任何潜在危险至关重要。4s 40A电池管理系统提供的保护功能包括:
- 单元格平衡
- 过电压保护
- 短路保护
- 欠电压保护
BMS电路图
该BMS的原理图使用KiCAD公司该示意图的完整解释将在本文后面进行。
BMS与电池组的连接
BMS模块布局整齐,带有标记,用于将BMS与电池组中的不同点连接。下图显示了我们需要如何将电池与BMS连接。

| BMS上的标记 |
与BMS的连接 |
| - |
蓄电池组的负极端子连接,用于充电和连接负载。 |
| + |
蓄电池组的正极端子连接,用于充电和连接负载 |
| 0 |
1的负极端子标准时间单间牢房 |
| 4.2 |
1的正极端子标准时间单间牢房 |
| 8.4 |
2的正极端子第二次单间牢房 |
| 12.6 |
3的正极端子第三方单间牢房 |
| 16.8 |
4的正极端子第单间牢房 |
BMS的作用就像4个独立电池的4个独立模块,然后这4个模块与晶体管和无源元件巧妙地集成在一起,形成一个完整的BMS,能够提供高达40A的电流并保护单个电池的参数。
深入挖掘BMS
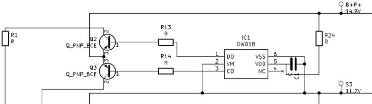
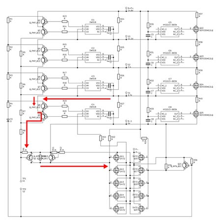
BMS有两个IC,DW01和BB3A;该BMS的一些变体可能具有来自不同制造商的相同IC或类似IC。但所有IC都将具有相同的引脚和功能。我稍后将讨论这两个IC。下图显示了BMS负责不同操作的部分。

从上图中可以清楚地看出,一个IC负责过电压、过电流和短路保护,而该IC负责DW01-A型,而另一个ICBB3A型负责电池的平衡。
DW01-A中:电池保护IC
DW01-A是一种单电池锂离子/聚合物电池保护IC。它负责BMS的所有保护功能。每个单独的细胞都连接了1个DW01-A,用于监测特定细胞的健康状况。它有一个6针sot-23-6封装。您可以参考IC的数据表来查看功能图和其他数据。它有一个内部分压器电路,负责测量电池的欠压和过压。短路和过电流由比较器检测,比较器比较CS引脚输入和VSS之间的电压。
DW01-A的电气特性
任何集成电路的工作都取决于制造商给出的设计方式,DW01的电气特性如下表所示:

保护电路
此电池组的保护电路如图所示。这里,Batt+和S3分别表示电池的正极端子和负极端子。IC使用V之间的内部分压器电路测量电池的电压<sub>科科斯群岛并基于上述电气特性表控制过放电(OD)和过充电(OC)引脚,从而控制下图中的晶体管Q2和Q3。
DW01-A通过测量电流感应引脚处的电压来持续监测过电流或短路。在短路的情况下,电压超过V抿,并且通过关断放电控制MOSFET来抑制故障,即短路。本文稍后将对过电流进行解释。

在上图中,您可以观察到VSS引脚通过电阻器R24连接到单元的正极端子,VSS和VDD有一个并联的电容器C1。电容器和电阻器对于抑制来自充电器的纹波和干扰至关重要。
HY2212 BB3A:单元平衡IC
说到细胞平衡器电路,这个电路的核心是HY2212 BB3A型,1芯锂离子/聚合物电池充电器平衡IC。该IC能够通过电平监测对单元进行主动平衡,并且它包括非常高精度的电压检测电路和延迟电路。
HY2212系列是为单电池锂离子电池而设计的,也可用于带有单个电池的多电池组。它的特点电荷平衡控制,电平监测IC并且它还包括高精度电压检测电路和延迟电路下面给出了IC的功能框图,正如您所看到的,IC有一个分压器电路连接到输入VSS和VDD,该分压器被馈送到过充电检测比较器,该比较器用于控制增强MOSFET。您可以参考IC的数据表来查看该IC的内部框图。它有一个非常简单的电路,只需使用电压检测比较器测量电压并给出输出。该输出用于控制MOSFET的栅极。可以使用P型或N型MOSFET,下表给出了这两种MOSFET的有效操作。

在该BMS中,使用N通道BMS,然后连接到480欧姆的电阻器,BMS中使用的电路如下图所示:

在上述电路中,与该IC一起使用的MOSFET是A2SHB,其是N沟道增强MOSFET。当BB3A引脚6的输出引脚向该增强型MOSFET的栅极提供高信号时,MOSFET通过该480欧姆的电阻连接低电阻路径,该电阻用作负载电阻器,并开始耗尽电池。
放电速率可以很容易地通过欧姆定律。V=红外线

因此,电池可以以每小时9100万安培的速度放电。我们可以通过改变电阻器的值来改变放电速率。
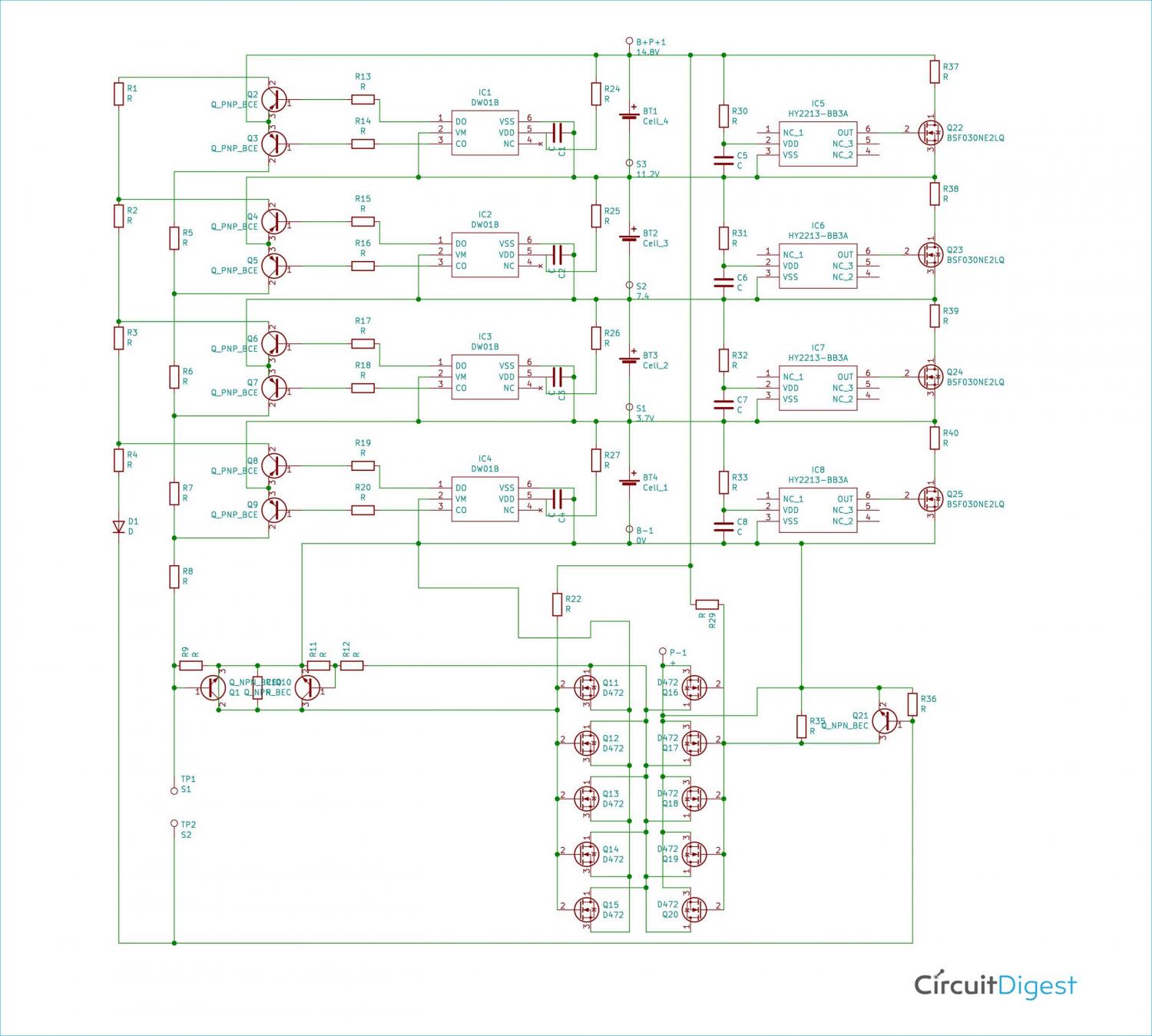
全4S 40A BMS电路图

上图显示了BMS电路的完整电路图,如上所述,电路可以分为较小的模块,用于平衡和监测每个单元。
如下图所示,我们可以看到平衡器IC与电池并联。类似地,电池充电IC DW01也与电池并联连接。

如上所述,DW01的VSS和VDD分别与单元的负极和正极连接,并且作为电流感测引脚的引脚2连接到负极轨道。根据从电流感测引脚接收的输入,控制过充电和过放电晶体管。
4s 40A BMS电路是如何工作的?
10个MOSFET AOD472实际连接为2组,每组5个MOSFET。第一组用于过电流保护,另一组用于过放电保护。电路中的所有电池都可以触发过电流或过放电保护,这是因为不同电池的电池健康状况以不同的速率下降。所有并联MOSFET的栅极都连接在一起,源极引脚也是如此,以便将它们一起触发。所有10个MOSFET的漏极引脚都连接在一起,这意味着只有当所有MOSFET都处于导通状态时,电路才会工作,否则电流不会流动,电池组届时既不会为输出供电也不会充电。
为什么要连接多个MOSFET?
由于BMS是为钻机电机操作而设计的,因此启动电流通常高于额定电流。电动机的起动电流可以高达其额定电流的4-8倍。当电机加速并达到其同步或基本速度时,电流减小并恢复到其额定速度。因此,即使额定电流为40A,如果连接一个消耗约40A的500瓦电机,浪涌电流也可以在很短的时间内高于240安培,因此多个MOSFET并联连接。
笔记:当并联放置MOSFET时,确保所有MOSFET的实际V值非常接近天然气(TS) 因为您希望所有并联的MOSFET同时导通,以避免损坏MOSFET。
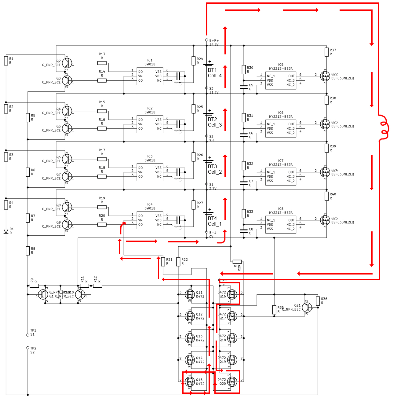
上图显示了当所有MOSFET都处于导通状态时的电流流动。来自电池的电流流经电池组并来自MOSFET AOD 472s的串并联连接。
控制金属氧化物半导体场效应晶体管
MOSFET是通过控制DW01 IC的过充电和过放电引脚来控制的。左侧MOSFET上的源极连接到地,DW01的电流感测引脚与源极连接,因此,当DW01 IC检测到短路或过电流时,它导通Q9,Q9导通晶体管对,向栅极端子提供信号,从而关断MOSFET。
负责保护电池组免受过度充电的右侧一对MOSFET的栅极连接到电池组的正极端子。当蓄电池过充电时,DW01 IC将使用内部分压器电路检测过充电情况,并接通OD晶体管。

在这种情况下,IC 1将导通晶体管Q2,电流将导通Q21,Q21将负责过充电保护的并联MOSFET组合的栅极与地连接,从而将其关断,从而断开整个电路。下图显示了DW01 IC在充电条件下的工作情况。
4S 40A BMS模块中使用的部件
谈到BMS的组件,BMS有2个IC,DW01-A型哪个是电池保护IC和一个BB3A型哪个是单元平衡IC。除了2个IC,我们还有这个带文本的组件G1哪个是毫米磅5551一高压NPN晶体管,2升哪个是高压PNP晶体管,永磁同步电机5041除此之外,我们还有肖特基整流器在底部,我们有10个N沟道增强MOSFETD472天2组并联的5 MOSFET串联连接,可实现高电流传输,是过电流保护和过充电保护的关键部件。

BMS中使用的所有组件如下表所示:
| DW01-A型 |
电池保护IC |
| BB3A型 |
单电池锂离子/聚合物电池电荷平衡IC |
| G1(毫米磅5551) |
SMD高压晶体管(NPN) |
| 2L(永磁同步电机5041) |
PNP高压晶体管 |
| 2小时 |
N沟道增强型场效应晶体管) |
| 第34页 |
肖特基整流器 |
| D472(10种不同类型) |
N沟道增强型场效应晶体管 |
4S 40A BMS模块的保护特性
如上所述,BMS模块具有保护电池组的所有必要功能,它提供过充电保护、过放电保护、短路保护以及电池平衡。下面给出了有关保护功能的更多详细信息。
过度充电条件
当电池充电超过安全充电电压时,电池的健康会受到影响,电池的寿命会缩短。为了保护电池免受过度充电,该BMS采用了过度充电保护机制,将电池组与充电器断开。过充电保护的工作情况如下图所示

从上图中可以看出,当连接充电器时,电池电压会继续增加,并且一旦超过V组织控制程序(过充电保护电压),等待T有机碳(过充电延迟时间)并且断开过充电保护晶体管,从而关断过充电保护MOSFET。除非电池的电压降至V以下,否则IC不会关闭OC引脚光学字符识别(蓄电池过充电释放电压)。
过度放电条件
当电池电压低于安全工作电压时,电池的健康状况会受到影响,电池的寿命会缩短。为了保护电池免受过度放电的影响,该BMS采用了过度放电保护。过放电保护的工作情况如下图所示-

从上图中可以看出,当连接负载时,电池电压会继续下降,并且一旦低于VODP公司(过放电保护电压)等待T操作系统(过放电延迟时间)并断开过放电保护晶体管,从而关断过放电保护MOSFET。因此,没有电流流过BMS。直到电池没有重新充电,电池的电压没有超过VODR公司(过放电释放电压),BMS不允许使用电池组,从而延长了电池组的寿命。

上图显示了过放电条件下的电流流动。正如你所看到的,晶体管是并联的,因为当晶体管并联时,它们就像一个大晶体管,可以处理更高的电流。
并联晶体管
过电流保护
当发生短路故障或负载的电流浪涌高于电池组的规格时,BMS中的过电流保护是必要的,以保护电池系统免受过电流或短路的影响。这种情况会影响细胞的健康,甚至会对细胞造成损害,导致火灾。为了保护电池免受过电流的影响,该BMS采用过电流保护。过电流保护的工作情况如下图所示

在正常情况下,CS引脚通过不断监测CS引脚的电压来监测放电电流。当电池的电流需求激增且CS引脚中的电压超过V时OIP公司(过电流保护电压)超过TOI1型(过电流延迟时间)过电流保护电路工作并关闭OC MOSFET,从而断开电路。只有当负载释放或正极和负极端子之间的电池阻抗大于500k欧姆时,过电流放电保护才会释放。
结论
4s 40A BMS是一种经济且非常有效的模块,可保护锂离子电池免受损坏。该设计可以修改为用于更高或更低数量的电池,使其成为一种非常通用的设计。BMS中使用的组件很容易获得,市场上也有很多可更换的零件,这使它成为您下一个项目的一个非常好的BMS。
我希望你喜欢阅读这篇文章,并学到一些新的东西,如果你有任何其他疑问,你可以在下面的评论区发表。

