反激式开关电源
反激式开关电源的概述
反激式开关电源电路结构比较简单,在小功率电路中应用非常广泛。
在15kw光伏逆变器中用到的两个电源都是这种结构。
反激式开关电源有三种工作模式:连续模式(CCM),非连续模式(DCM)及临界模式(BCM)。
非连续工作模式中,功率管零电流开通,开通损耗小。而副边二极管零电流关断,可以不考虑反向恢复问题,对EMC会有一些好处。但峰值电流较大,原边关断损耗较大。
反激式开关电源的基本原理
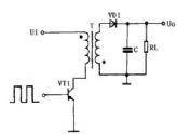
在开关S导通时,输入电压Vi加在变压器初级线圈上,同名端 ‘?’ 相对异名端为负,次级二极管D反偏截止。初级电流线性上升(线性电感),变压器作为电感运行。
变压器储存能量,此阶段没有能量传到次级,电容单独向负载供电。

反激式开关电源的电路特点
结构简单。不需要输出滤波电感。
输出电压尖峰较大
次级峰值电流较大,I2p=n*I1p,该峰值电流加在电容ESR会产生较高的尖峰电压,宽度通常小于0.5us。为滤除该尖峰,通常要在主电容后加小型LC滤波器。
需要大容量电容
由于在开关管开通时,只有滤波电容向负载提供电流,因此电容容量必须足够大。
辅佐电源电压精度约为6%,若需较高精度,需附加线性调整器。
反激式开关电源的漏感及改进方法
漏感影响-不可避免的多路输出交叉调节问题。
理论上反激变换器没有输出滤波电感,只有输出电容,相当于电压源,只要一路稳定,多路输出的其余各路基本上(除二极管压降)按匝比稳定输出,比正激电源更适用于多路输出。但实际上反激电源的多路输出交叉调整率比正激电源更难做。这主要因为正激后面加了个耦合电感,而反激的漏感不是零。一路输出稳定性非常好,但多路输出时没有接反馈的支路电压会随其他路的负载变化而剧烈变化。
原因:
开关管关断时,次级输出时的能量分配是有规律的,是按漏感的大小来分配,如5V 3匝,漏感1uH,12V 7匝,如果漏感为(7/3)2*1=5.4uH,则两路输出的电流变化率是一样的,没有交叉调整率的问题,但如果漏感不匹配时,就会出现交叉调整率问题。
改进方法:
1.注意变压器工艺 让功率较大,电压比较低的绕组最靠近初级,其漏感最小,电压比较高,功率比较小的远离初级,增加其漏感。
2. 输出电压较高的绕组在整流管前面增加一个小磁珠或小电感,人为增加其漏感,这样电流的变化率就接近于其主输出,电压就稳定。
3.采用层叠法,保证其漏感比。如12V和5V共用一部分绕组。
