什么是环形计数器:工作、分类和应用
计数器是顺序电路,其功能是使用单个时钟信号对信号的脉冲、频率和时间进行计数。它是数字电子的重要组成部分,因为整个电子设备都在计数器上工作。他们
计数器是顺序电路,其功能是使用单个时钟信号对信号的脉冲、频率和时间进行计数。它是数字电子的重要组成部分,因为整个电子设备都在计数器上工作。它们是通过对一组(相似或不同的)触发器进行分组来设计的。计数器以不同的模块模式运行,这些模式由循环的状态数表示。计数器有两种类型,它们是同步计数器和异步计数器。同步计数器基于输入时钟信号进行操作,异步计数器独立于输入时钟信号。同步计数器是一个移位寄存器计数器,它被进一步分类为环形和扭曲型环形计数器。
什么是环形计数器?
定义:环形计数器也称为SISO(串行输入串行输出)移位寄存器计数器,其中触发器的输出连接到用作环形计数器的触发器的输入。环形计数器的设计可以通过使用四个具有公共时钟信号的D触发器来完成,并且覆盖输入可以连接到预设和清除。
ding="async" class="size-full wp-image-37953 aligncenter" src="https://uploads.9icnet.com/images/aritcle/20230518/block-diagram-of-ring-counter.jpg" alt="Block-Diagram-of-Ring-Counter" width="480" height="300" sizes="(max-width: 480px) 100vw, 480px">
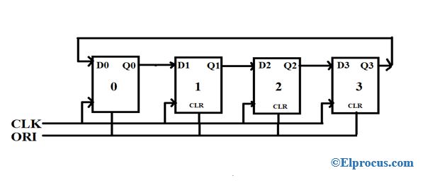
环形计数器方框图
从上图中可以看出,
1). 所使用的状态数为4(其中状态数=所使用的触发器数)。
2). 预设或清除:其主要功能是,如果输入时钟信号发生变化,则输出值也会发生变化。
连接方式如下
- 一个输入连接到第一触发器ff0-Q0,
- 另一个输入连接到其他三个触发器(如ff1、ff2、ff3)的CLR。
工作原理
例如,让我们假设一个条件,其中预设=“0000”,那么在每个触发器处获得的输出如下。对于FF0,Q0处的输出为“1”,而在其他触发器中,如ff、ff2、ff3(连接到清除CLR=0的位置),在Q1=Q2=Q3=“0”处获得的输出。这可以通过遵循Xilinx软件中使用Verilog HDL代码执行时获得的真值表及其输出波形来理解。
真值表
| 奥里 |
CLK公司 | 问题0 | 问题1 | 问题2 | 问题3 |
| 低脉冲 |
十、 | 1. | 0 | 0 | 0 |
| 1. |
0 | 0 | 1. | 0 | 0 |
| 1. |
0 | 0 | 0 | 1. | 0 |
| 1. |
0 | 0 | 0 | 0 | 1. |
| 1. |
0 | 1. | 0 | 0 | 0 |
哪里
输入=ORI和CLK
X=时钟可以是正边缘,也可以是负边缘
输出=Q0、Q1、Q2、Q3。
从表中,我们可以观察到“1”从Q0向Q3倾斜移动,并再次移回“Q0”。这表明它的工作原理就像一个环形计数器。
用于环形计数器的Verilog HDL程序
模块dff(q,d,c);
输出q;
输入d,c;
寄存器q;
最初的
q=1’b1;
总是@(posedge c)
q=d;
末端模块
模块dff1(q,d,clk);
输出q;
输入d,clk;
寄存器q;
最初的
q=1’b0;
始终@(posedge clk)
q=d;
末端模块
模环(q,clk);
输入[3:0]q;
输入clk;
dff u1(q[0],q[3],clk);
dff1-u2(q[1],q[0],clk);
dff1 u3(q[2],q[1],clk);
dff1-u4(q[3],q[2],clk);
末端模块
环形计数器时序图
环形计数器的时序图如下所示。
环形计数器的分类
环形计数器分为两类,
直线型
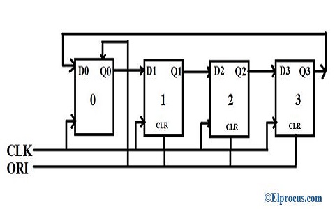
直型的另一个名称是“一个热计数器”,其中结束触发器的输出作为对起始触发器输入的反馈。其中二进制数字0/1以环形形式循环。使用两个控制信号Pre-set(PR)和时钟信号(CLK)。其中PR连接到FF 0,CLR被提供给FF3。以下是四级直环计数器的框图。
直环式计数器真值表
直线型时序图
扭曲型
扭曲型计数器的另一个名称是开关尾/行走/约翰逊型计数器。结束触发器的互补输出被反馈到起始触发器的输入。其中1和0的流以环形形式流动。扭曲型计数器使用两个控制信号,如CLK和ORI。其中CLK和ORI对于所有四个触发器都是公共的。以下是四级双绞线环形计数器的框图。

扭曲型真值表
| 奥里 |
CLK公司 | 问题0 | 问题1 | 问题2 | 问题3 |
| 低脉冲 |
十、 | 0 | 0 | 0 | 0 |
| 1. |
1. | 1. | 0 | 0 | 0 |
| 1. |
1. | 1. | 1. | 0 | 0 |
| 1. |
1. | 1. | 1. | 1. | 0 |
| 1. |
1. | 1. | 1. | 1. | 1. |
| 1. |
1. | 0 | 1. | 1. | 1. |
| 1. |
1. | 0 | 0 | 1. | 1. |
| 1. |
1. | 0 | 0 | 0 | 1. |
扭曲型时序图
扭曲型的时序图如下所示。
环型计数器和约翰逊式计数器的区别
以下是环形计数器和约翰逊计数器之间的比较
| 环形计数器 |
约翰逊计数器 |
| 最后一个触发器的输出作为起始触发器的输入。 | 最后一个触发器的输出被补码并作为起始触发器的输入。 |
| 状态数=使用的触发器数 | 如果使用“n”个触发器,则需要“2n”个状态。 |
| 输入频率=n | 输入频率=f |
| 输出频率=f/n | 输出频率=f/2n |
| 未使用状态总数=(2n–n) | 未使用状态总数=(2n–2n) |
优势
优点是
- 它可以对逻辑进行编码和解码
- 可以使用JK和D触发器来实现
缺点
缺点是
- 在15个状态中,使用了4个状态
- 非自启动。
应用
以下是应用程序
- 频率计数器
- 模数转换器
- 数字时钟
- 测量计时器和速率等。
常见问题解答
1). 10位环形计数器中有多少个状态?
在10位环形计数器中使用了10个状态。
2). 什么是异步计数器?
异步计数器异步操作,也就是说它独立于时钟脉冲。它有2n-1个状态。
3). 计数器的型号是什么?
模数计数器的另一个名称是模数计数器。它被定义为计数器中的状态数。
4). 你说约翰逊柜台是什么意思?
Johnson计数器是一种环形计数器,其中最后一个触发器的输出被补码并反馈到第一个触发器的输入。所使用的状态数为2n。
5). 什么是除以N的计数器?
除以N计数器意味着输入时钟频率除以N。
6). SISO移位寄存器是什么意思?
SISOshift寄存器是一个串行输入串行输出寄存器,其中输入数据和输出数据依次串行处理,结果存储在寄存器中。
因此,计数器是数字电子的重要组成部分。它们分为同步计数器(环形计数器和双绞线计数器)和异步计数器。因此,这是使用时钟和预设两个控制信号的环形计数器的概述。基于这些信号,它们以环形形式工作,因此被称为环形计数器,它们被进一步分类为直型和扭曲型。每个计数器都有自己的设计、优点和缺点。
