久芯网

OPA320的datasheet中一个电路,运放的反馈部分看不明白呢?大神能不能给分析一下啊???

avatar li James 提问时间: 2023-08-07 18:37:54 / 已解决
Other Parts Discussed in Thread: INA156


如需获得 OPA320 等器件的更多信息,请点击链接或 点击此处 联系在线客服!

4个回答
  • avatar li James
    回答时间: 2023-08-07 19:04:16

    哎!

  • avatar Sunny Qin
    回答时间: 2023-08-07 19:27:09

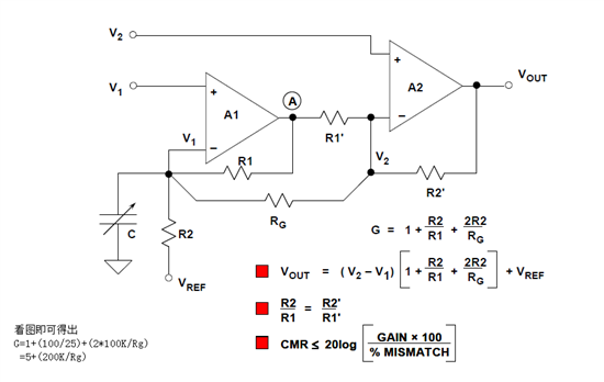
    您好,这个电路就是一个典型的双运放结构的仪表放大器,仪表放大器有几种结构,典型的有三运放结构的,双运放结构的等。您可以参考一下INA156的资料,或者看一看仪表放大器相关知识。

  • avatar Carter Liu
    回答时间: 2023-08-07 19:59:12

  • avatar li James
    回答时间: 2023-08-07 20:31:59

    谢谢啦啦

会员中心 微信客服
客服
回到顶部