久芯网

NUCLEO-G474RE这个开发板的例程在哪儿下载啊,不知道如和用他的usb和pc串口通信

avatar swag 提问时间: 2023-07-01 07:51:14 / 未解决

如需获得 G474RE 等器件的更多信息,请点击链接或 点击此处 联系在线客服!

1个回答
  • avatar butterflyspring
    回答时间: 2023-07-01 08:09:43

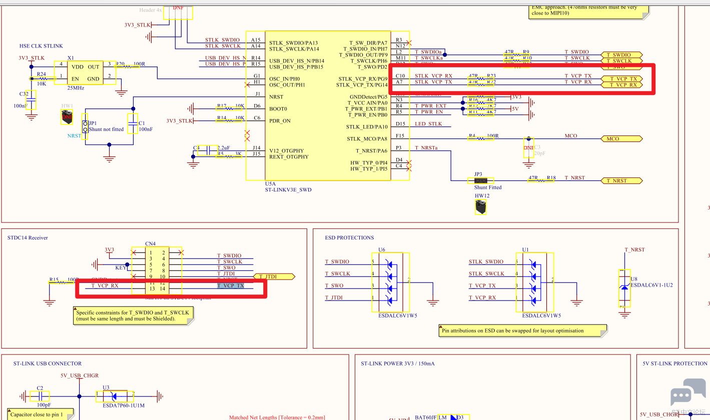
    官方有完整的生态系统呀,在它的cube 库中也有完整的例程。\STM32Cube_FW_G4_V1.5.0\Projects\NUCLEO-G474RE\Examples 通常在Nucleo 板上的ST-LINK 部分都有TX 和 RX接口,通过ST-LINK 的USB 复合设备实现串口通信。注意板子上的连线,通常已经接到某个串口上了,或者通过焊桥改变连接。详细可参考原理图部分。

会员中心 微信客服
客服
回到顶部